可控硅的保護電路,大致可以分為兩種情況:一種是在適當的地方安裝保護器件,例如,R-C阻容吸收回路、限流電感、快速熔斷器、壓敏電阻或硒堆等。再一種則是采用電子保護電路,檢測設備的輸出電壓或輸入電流,當輸出電壓或輸入電流超過允許值時,借助整流觸發控制系統使整流橋短時內工作于有源逆變工作狀態,從而抑制過電壓或過電流的數值。
1. 過流保護
可控硅設備產生過電流的原因可以分為兩類:一類是由于整流電路內部原因, 如整流可控硅損壞, 觸發電路或控制系統有故障等; 其中整流橋可控硅損壞類較為嚴重, 一般是由于可控硅因過電壓而擊穿,造成無正、反向阻斷能力,它相當于整流橋臂發生永久性短路,使在另外兩橋臂可控硅導通時,無法正常換流,因而產生線間短路引起過電流.另一類則是整流橋負載外電路發生短路而引起的過電流,這類情況時有發生,因為整流橋的負載實質是逆變橋, 逆變電路換流失敗,就相當于整流橋負載短路。另外,如整流變壓器中心點接地,當逆變負載回路接觸大地時,也會發生整流橋相對地短路。
2.可控硅的過壓保護
可控硅設備在運行過程中,會受到由交流供電電網進入的操作過電壓和雷擊過電壓的侵襲。同時,設備自身運行中以及非正常運行中也有過電壓出現。過電壓保護的第一種方法是并接R-C阻容吸收回路,以及用壓敏電阻或硒堆等非線性元件加以抑制。過電壓保護的第二種方法是采用電子電路進行保護。
3. 電流上升率、電壓上升率的抑制保護
(1)電流上升率di/dt的抑制
可控硅初開通時電流集中在靠近門極的陰極表面較小的區域,局部電流密度很大,然后以0.1mm/μs的擴展速度將電流擴展到整個陰極面,若可控硅開通時電流上升率di/dt過大,會導致PN結擊穿,必須限制可控硅的電流上升率使其在合適的范圍內。其有效辦法是在可控硅的陽極回路串聯入電感。如下圖:

(2).電壓上升率dv/dt的抑制
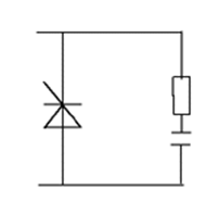
加在可控硅上的正向電壓上升率dv/dt也應有所限制,如果dv/dt過大,由于晶閘管結電容的存在而產生較大的位移電流,該電流可以實際上起到觸發電流的作用,使晶閘管正向阻斷能力下降,嚴重時引起晶閘管誤導通。為抑制dv/dt的作用,可以在晶閘管兩端并聯R-C阻容吸收回路。如下圖:

4.為什么要在可控硅兩端并聯阻容網絡
在實際可控硅電路中,常在其兩端并聯RC串聯網絡,該網絡常稱為RC阻容吸收電路。可控硅有一個重要特性參數-斷態電壓臨界上升率dlv/dlt。它表明可控硅在額定結溫和門極斷路條件下,使可控硅從斷態轉入通態的最低電壓上升率。若電壓上升率過大,超過了可控硅的電壓上升率的值,則會在無門極信號的情況下開通。即使此時加于可控硅的正向電壓低于其陽極峰值電壓,也可能發生這種情況。因為可控硅可以看作是由三個PN結組成。在可控硅處于阻斷狀態下,因各層相距很近,其J2結結面相當于一個電容C0。當可控硅陽極電壓變化時,便會有充電電流流過電容C0,并通過J3結,這個電流起了門極觸發電流作用。如果可控硅在關斷時,陽極電壓上升速度太快,則C0的充電電流越大,就有可能造成門極在沒有觸發信號的情況下,可控硅誤導通現象,即常說的硬開通,這是不允許的。因此,對加到可控硅上的陽極電壓上升率應有一定的限制。為了限制電路電壓上升率過大,確??煽毓璋踩\行,常在可控硅兩端并聯RC阻容吸收網絡,利用電容兩端電壓不能突變的特性來限制電壓上升率。因為電路總是存在電感的(變壓器漏感或負載電感),所以與電容C串聯電阻R可起阻尼作用,它可以防止R、L、C電路在過渡過程中,因振蕩在電容器兩端出現的過電壓損壞可控硅。同時,避免電容器通過可控硅放電電流過大,造成過電流而損壞可控硅。由于可控硅過流過壓能力很差,如果不采取可靠的保護措施是不能正常工作的。
5.可控硅的選型
(1)正反電壓選擇
(2).選擇額定工作電流
(3).門極(控制極)選擇
(4).選擇關斷時間(tg)
(5).電壓上升率(dv/dt)和電流上升率(di/dt)

聯系人:劉經理
手機:18926008145
電話:0769-88461176
郵箱:style@www.szpht.com
地址: 東莞市高埗鎮高埗稍潭村理文街第A24座2號